Optical granulometry

Granulometry
Basic concepts
Particle size · Grain size
Size distribution · Morphology
Methods and techniques
Mesh scale · Optical granulometry
Sieve analysis · Soil gradation

Related concepts
Granulation · Granular material
Mineral dust · Pattern recognition
Dynamic light scattering

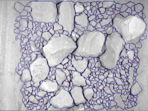
Optical granulometry is the process of measuring the different grain sizes in a granular material,[1] based on a photograph. Technology has been created to analyze a photograph and create statistics based on what the picture portrays. This information is vital in maintaining machinery in various trades worldwide. Mining companies can use optical granulometry to analyze inactive or moving rock to quantify the size of these fragments.[2] Forestry companies can zero in on wood chip sizes without stopping the production process, and minimize sizing errors.[3]

With more photoanalysis technologies being produced, mining companies have shown an increased interest in these types of systems because of their ability to maintain efficiency throughout the mining process.[4] Companies are saving millions of dollars annually because of this new technology, and are cutting back on maintenance costs on equipment.

In order for optical granulometry to be completely successful, an accurate photo must be taken – under sufficient lighting, and using proper technology – to obtain quantified results.[5] If these requirements are met, an image analysis system can be implemented.

The process

Software uses four basic steps in determining the average size of material:

Step 1: Taking a photo- A sample of the material you would like to measure
Step 2: Edge Detection- By completing an edge detection process, the software can determine the various sizes of material in the photo
Step 3: Virtual Sieve- The length to width ratio is measured in this step of the process. The individual particle sizes are measured instantly.
Step 4: Graphical Output- In this step, statistical data and size distribution is plotted on an easy-to-read form for operators.

See the Wikipedia article on Photoanalysis to see how mining, forestry and agricultural companies are using this technology to improve quality control techniques.

See also

Notes

References

External links

This article is issued from Wikipedia - version of the 7/17/2016. The text is available under the Creative Commons Attribution/Share Alike but additional terms may apply for the media files.